Industrial Electrical Power

What Size Emergency Generator Do I Need?

You need an emergency generator sized to your total wattage needs. Smaller units, ranging from 5 to 7 kW, cover essentials such as lights, refrigerators, and sump pumps, while units with 20–22 kW provide reliable whole-home backup, including HVAC systems.   What Size Emergency Generator Do I Need? Emergency Generator Standby Power Training Power Quality Analysis Training Request a Free Emergency Generator Training Quotation The first step in choosing a generator is calculating your total wattage requirements. Appliances and devices draw two types of power: running wattage, which keeps the equipment operating, and starting wattage, sometimes referred to as surge…
View more

Test Your Knowledge About Motors and Drives!

Think you know Motors and Drives? Take our quick, interactive quiz and test your knowledge in minutes.

  • Instantly see your results and score
  • Identify strengths and areas for improvement
  • Challenge yourself on real-world electrical topics
Take Quiz

Latest IEP Content

What is a Megohmmeter? A Great Testing Tool

What is a megohmmeter? An insulation resistance tester that applies high DC voltage to measure gigaohms, detect leakage current and dielectric integrity in cables, motors, transformers, and switchgear for safety, commissioning, and preventive maintenance.   What Is a Megohmmeter? What is a megohmmeter, and why should every electrical professional understand its importance? This specialized tool, also known as an insulation resistance tester, is critical for ensuring the safety and reliability of electrical systems in industrial, commercial, and institutional settings. By measuring high resistance values in electrical insulation, it helps detect potential faults, prevent equipment failures, and minimize costly downtime. In…
View more

Power Factor Correction Formula Explained

Power factor correction formula explains kVAR sizing to correct power factor (PF), reduce reactive power, and optimize capacitor banks, using tan and cos φ relationships between active, reactive, and apparent power in AC systems.   Why Understanding the Power Factor Correction Formula Is Important Power factor correction formula is a critical concept for industrial electricians to master. By understanding this formula and its associated principles, electricians can ensure the efficient operation of electrical systems, minimize losses, and reduce energy costs. Let's drill down into the key aspects of power factor (PF) correction, exploring the role of reactive power (Q), apparent power…
View more

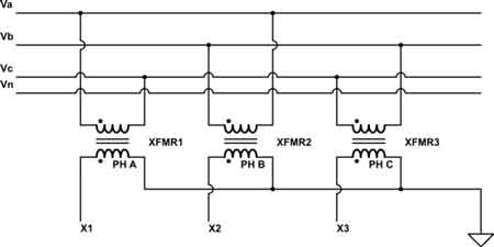
Delta Wye Transformer Explained

A delta-wye transformer steps three-phase power down to create a grounded neutral for 208Y/120V and similar systems. Learn where it fits, what the 30-degree shift changes, and how grounding and harmonics behave.   Delta-Wye Transformer Connection A delta-wye transformer is usually chosen for one practical reason: it makes three-phase power usable downstream without forcing the upstream system to carry the consequences of every imbalance and nonlinear load. The delta primary is a tough interface. The wye secondary is a workable output. Put together, they are a reliable way to feed mixed plant loads and distribution panels where line-to-neutral voltages and…
View more

Capacitive Load For Performance and Efficiency

A capacitive load causes current to lead voltage in AC circuits. To calculate power factor, divide real power (kW) by apparent power (kVA). Capacitive loads can correct lagging power factor caused by inductive loads, improving efficiency in electrical systems.   Understanding Capacitive Load: Principles and Applications   A capacitive load primarily comprises capacitors, which temporarily store electrical energy in the form of an electric field. These capacitors have the unique characteristic of leading the voltage in AC circuits, meaning that the current waveform peaks before the voltage waveform. This phenomenon results in a leading power factor, which can impact the…
View more

Electrical Safety Ontario

Electrical Safety Ontario 2015 covers ESA-enforced OESC updates, wiring standards, grounding and bonding rules, permits, inspections, and code compliance for residential, commercial, and industrial installations to mitigate shock, arc-fault, and fire hazards.   Why Understanding Electrical Safety in Ontario (2015) Is Important Electrical Safety in Ontario is a major concern for law makers and citizens, employers and employees. Ontario’s electrical safety watchdog, the Electrical Safety Authority (ESA), tracks electrical accidents and penalizes companies in violation of the Ontario Electrical Code, the province’s rules and regulations that protect the province’s workers from electrical accidents. Electrocutions in the workplace in the last…
View more

480V Arc Flash

A 480V arc flash is a high-energy electrical explosion that occurs when a fault occurs in a 480-volt system. It can produce intense heat, light, and pressure, leading to serious injuries. Proper personal protective equipment (PPE) and safety protocols are essential to prevent arc flash accidents. NFPA 70E Arc Flash Training CSA Z462 Arc Flash Training Request a Free Training Quotation   Why Understanding 480V Arc Flash Is Important Arc flashes are among the most dangerous incidents in electrical systems, capable of causing severe injuries and significant damage. When dealing with 480V systems, understanding the specific hazards and safety measures is crucial.…
View more

Arc Flash Training - NFPA 70e and CSA Z462

Arc flash training teaches workers to identify arc hazards, select appropriate PPE, and apply NFPA 70E and CSA Z462 standards to prevent serious injury, protect equipment, and maintain electrical safety compliance. Arc flash training is a regulated electrical safety discipline, not just a course offering. It governs how electrical hazards are evaluated, how protective equipment is selected, and how decisions about energized work are controlled under national safety standards.  This is not a single course. It is a standards-based safety discipline governed by NFPA 70E in the United States and CSA Z462 in Canada, and the correct path depends on…
View more

IEP News



IEP Articles From ET Magazine

Compatibility Issues with Generator-Backed Power Systems

Compatibility Issues with Generator-Backed Power Systems

Line-interactive uninterruptible power supply (UPS) systems play a vital role in maintaining seamless operation during power outages. Their integration with backup generators, however, can pose challenges regarding synchronization and power quality. While both UPS systems and generators serve as safeguards against power disruptions, their integration isn't always seamless. Understanding these compatibility concerns is crucial for ensuring reliable backup power and avoiding damage to sensitive equipment. Visit Our UPS Systems Study Course   Voltage and Frequency Stability Generators, particularly smaller portable models, may not provide the same level of voltage and frequency stability as utility power. Line-interactive UPS units are designed…
View more
Line-Interactive UPS in Scalable IT Infrastructure

Line-Interactive UPS in Scalable IT Infrastructure

In the evolving landscape of IT infrastructure, reliable and flexible power solutions are paramount. Scalable line-interactive Uninterruptible Power Supply (UPS) systems provide an essential service to growing IT networks by adapting to increasing power demands without the need for complete system overhauls. This adaptability ensures that businesses can expand their IT capabilities while maintaining protection against power interruptions and fluctuations. Visit Our UPS Systems Study Course   Scalability and Its Importance Scalability in a UPS context refers to the ability to increase the UPS capacity to handle higher loads as demand grows. This is particularly crucial for businesses experiencing rapid…
View more
Securing Critical Infrastructure: The Role of Line-Interactive UPS

Securing Critical Infrastructure: The Role of Line-Interactive UPS

UPS (uninterruptible power supply) systems are essential for protecting critical infrastructure in healthcare and finance. They provide backup power in the event of a power outage, ensuring that sensitive equipment and data are protected. Line-interactive UPS systems are a popular choice for these applications, offering a number of advantages over other types of UPS systems. Visit Our UPS Systems Study Course   Benefits of Line-Interactive UPS Systems Line-interactive UPS systems offer a number of benefits over other types of UPS systems, including: Lower cost: Line-interactive UPS systems are typically less expensive than other types of UPS systems, making them a…
View more
Battery Advancements and the Impact on Line-Interactive UPS

Battery Advancements and the Impact on Line-Interactive UPS

Advancements in Battery Technology and Their Impact on Line-Interactive UPS Line-interactive uninterruptible power supply (UPS) systems play a crucial role in ensuring power continuity for sensitive electronic equipment. Serving as a safeguard against power disruptions, these systems seamlessly switch to battery backup during outages, preventing data loss, equipment damage, and downtime. Recent advancements in battery technology, particularly lithium-ion batteries, have significantly influenced the capabilities and performance of line-interactive UPS systems. Visit Our UPS Systems Study Course   Lithium-ion: The Emerging Choice Lithium-ion (Li-ion) batteries, widely known for their use in laptops and electric vehicles, are increasingly finding their way into…
View more

FREE EF Electrical Training Catalog

Download our FREE Electrical Training Catalog and explore a full range of expert-led electrical training courses.

  • Live online and in-person courses available
  • Real-time instruction with Q&A from industry experts
  • Flexible scheduling for your convenience

Sign Up for Electricity Forum’s Motors and Drives Newsletter

Stay informed with our FREE Motors and Drives Newsletter — get the latest news, breakthrough technologies, and expert insights, delivered straight to your inbox.


Latest EF Partners

Download the 2026 Electrical Training Catalog

Explore 50+ live, expert-led electrical training courses –

  • Interactive
  • Flexible
  • CEU-cerified